Utensili

Motori pneumatici

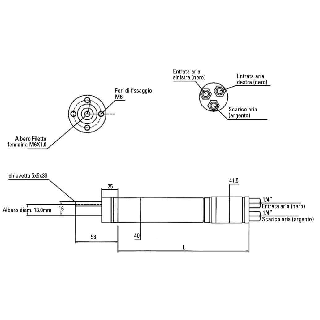
AMR – Motori Pneumatici Reversibili A Stallo Senza flangia

Coppia di stallo da 0.57 a 29.80 Nm

Caratteristiche

■ controllo di coppia (in base alla pressione di alimentazione)

■ albero diam. 13 mm con chiavetta

■ avviamento diretto con comando remoto

■ scarico convogliabile

■ livelli contenuti di rumore e vibrazioni rispondenti alle normative vigenti

■ reversibile

■ con fori per fissaggio motore

Dati tecnici

modello velocità giri/min coppia di spunto Nm coppia di stallo Nm peso kg lunghezza mm consumo aria l/min potenza max Watt diametro mm
AMR31080 16.000 0,43 0,57 0,93 166 550 400 40
AMR31090 8.000 0,96 1,30 0,95 166 550 400 40
AMR31070 4.265 1,50 2,00 0,98 166 550 400 40
AMR31035 1.955 2,80 3,70 1,02 174 550 400 40
AMR31048 1.510 3,60 4,80 1,02 174 550 400 40
AMR31050 1.245 4,10 5,50 1,02 174 550 400 40
AMR31055 890 5,70 7,60 1,02 174 550 400 40
AMR31045 710 8,40 11,20 1,02 174 550 400 40
AMR31060 490 12,00 16,00 1,02 174 550 400 40
AMR31065 265 17,60 23,40 1,04 174 550 400 40
AMR31068 220 22,40 29,80 1,04 174 550 400 40
Approfondimento

Industria 4.0

Da iperammortamento a credito d’imposta: cosa cambia?

Corporate

Sistema Qualità di
Dalmar certificato
ISO 9001:2015

I cambiamenti intervenuti con la nuova norma ISO 9001:2015 sono il frutto di anni di esperienza in tutto il mondo ed innovano fortemente il concetto della “Qualità” di Sistema.

Centri assistenza
autorizzati Dalmar

Una rete di professionisti autorizzati Dalmar, in grado di fornirti un’assistenza completa per tutto il ciclo di vita dell’utensile