Utensili

Motori pneumatici

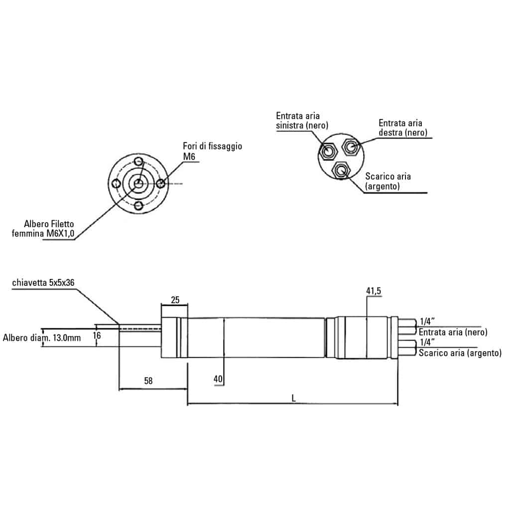
AMN – Motori Pneumatici Non Reversibili A Stallo Senza flangia

Coppia di stallo da 0.95 a 37.20 Nm

Caratteristiche

■ controllo di coppia (in base alla pressione di alimentazione)

■ albero diam. 13 mm con chiavetta

■ avviamento diretto con comando remoto

■ scarico convogliabile

■ livelli contenuti di rumore e vibrazioni rispondenti alle normative vigenti

■ non reversibile

■ con fori per fissaggio motore

Dati tecnici

modello velocità giri/min coppia di spunto Nm coppia di stallo Nm peso kg lunghezza mm consumo aria l/min potenza max Watt diametro mm
AMN16080 18.000 0,70 0,95 0,93 166 550 400 40
AMN16090 8.000 1,40 1,90 0,95 166 550 400 40
AMN16070 4.800 1,90 2,50 0,98 166 550 400 40
AMN16035 2.200 3,50 4,70 1,02 174 550 400 40
AMN16048 1.700 4,50 6,00 1,02 174 550 400 40
AMN16050 1.400 5,10 6,80 1,02 174 550 400 40
AMN16055 1.000 7,10 9,40 1,02 174 550 400 40
AMN16045 800 10,50 14,00 1,02 174 550 400 40
AMN16060 550 15,00 20,00 1,02 174 550 400 40
AMN16065 300 22,00 29,30 1,04 174 550 400 40
AMN16068 250 28,00 37,20 1,04 174 550 400 40
Approfondimento

Industria 4.0

Da iperammortamento a credito d’imposta: cosa cambia?

Corporate

Sistema Qualità di
Dalmar certificato
ISO 9001:2015

I cambiamenti intervenuti con la nuova norma ISO 9001:2015 sono il frutto di anni di esperienza in tutto il mondo ed innovano fortemente il concetto della “Qualità” di Sistema.

Centri assistenza
autorizzati Dalmar

Una rete di professionisti autorizzati Dalmar, in grado di fornirti un’assistenza completa per tutto il ciclo di vita dell’utensile