Antivibranti

Antivibranti

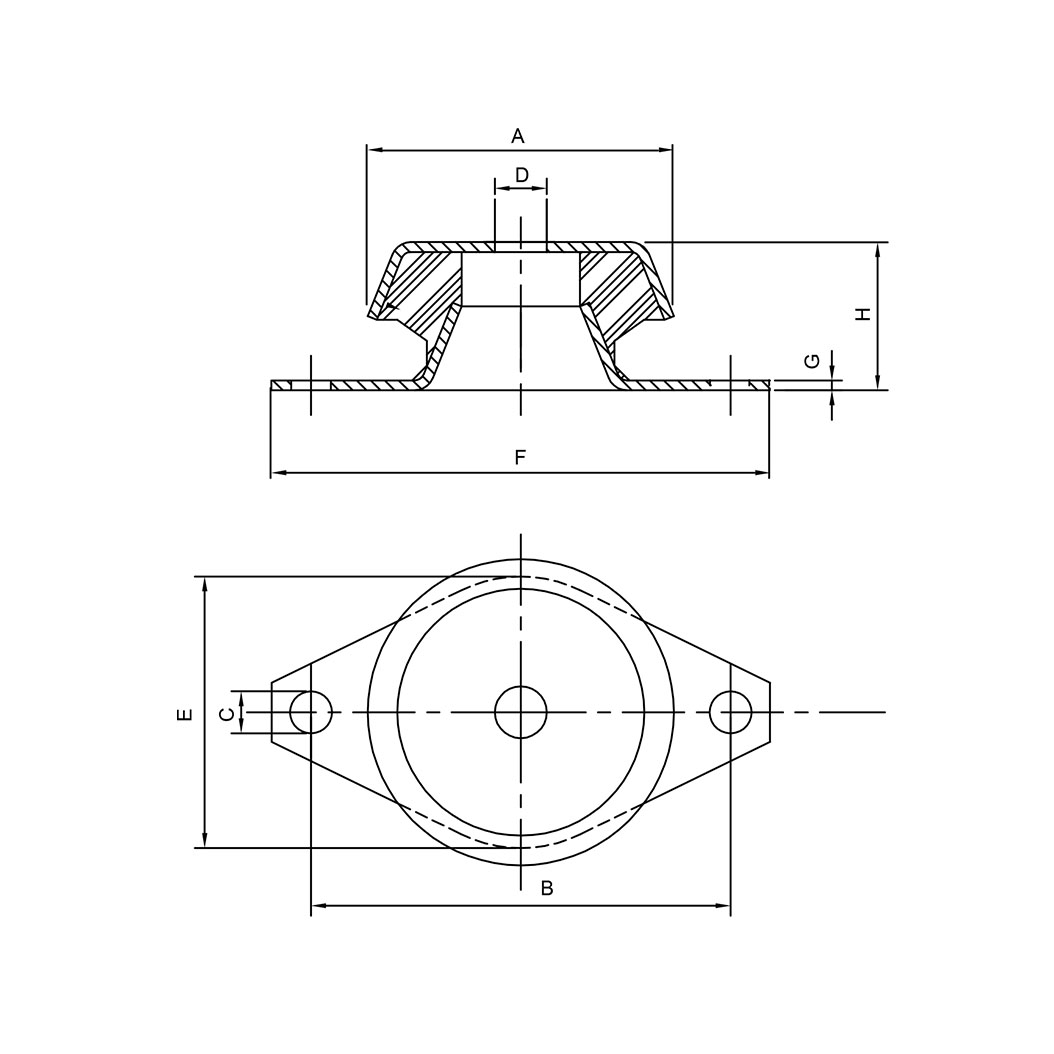
Supporto antivibrante a campana con foro passante

Base ovale

Gli antivibranti a campana con foro passante, costituiti da due armature in acciaio zincato con interposto un’anima in gomma naturale, sono progettati per raggiungere i migliori valori di isolamento in applicazioni statiche.

Caratteristiche

MATERIALE MESCOLA: Gomma Naturale

MATERIALE STRUTTURA METALLICA: Acciaio Zincato

DUREZZA GOMMA: 60 Sh (personalizzabili)

APPLICAZIONE: Applicazioni statiche – generatori di corrente, supporti per motore, per macchinari, telaio e motopompe.

Dati tecnici

B
wdt_ID CODICE ARTICOLO A B C H F E G D Freccia (mm) DUREZZA (SH A) Carico max statico (daN)
1 52906845NI 48 68 6,0 23 42 80 2 Ø8 3 45 97
2 52906860NI 48 68 6,0 23 42 80 2 Ø8 3 60 190
3 52906870NI 48 68 6,0 23 42 80 2 Ø8 3 70 300
4 52908545NI 62 85 8,0 30 55 101 2 Ø10 3 45 120
5 52908560NI 62 85 8,0 30 55 101 2 Ø10 3 60 192
6 52908570NI 62 85 8,0 30 55 101 2 Ø10 3 70 336
7 52911045NI 92 110 10,5 45 83 130 3 Ø16 3,5 45 266
8 52911060NI 92 110 10,5 45 83 130 3 Ø16 3,5 60 380
9 52911070NI 92 110 10,5 45 83 130 3 Ø16 3,5 70 548
10 52916045NI 119 160 16,0 49 100 190 4 Ø24 3,5 45 402
11 52916060NI 119 160 16,0 49 100 190 4 Ø24 3,5 60 787
12 52916070NI 119 160 16,0 49 100 190 4 Ø24 3,5 70 1.050
13 52920045NI 158 200 16,5 60 140 230 5 Ø31 4 45 1.105
14 52920060NI 158 200 16,5 60 140 230 5 Ø31 4 60 2.720
15 52920070NI 158 200 16,5 60 140 230 5 Ø31 4 70 3.400
Corporate

Sistema Qualità di
Dalmar certificato
ISO 9001:2015

I cambiamenti intervenuti con la nuova norma ISO 9001:2015 sono il frutto di anni di esperienza in tutto il mondo ed innovano fortemente il concetto della “Qualità” di Sistema.

Approfondimento

Sistema di analisi delle vibrazioni

In collaborazione con Hutchinson Paulstra. Misurazione in situ, con l’obiettivo
di fornire una diagnosi “vibro-acustica” della tua installazione e di aiutarti nell’implementazione di soluzioni nel tuo ambiente.

Servizio KANBAN
elettronico

KanbanBOX è il servizio che Dalmar offre, da alcuni anni, ai propri clienti per supportarli
nella gestione del processo di approvvigionamento senza mai rotture di stock