Antivibranti

Antivibranti

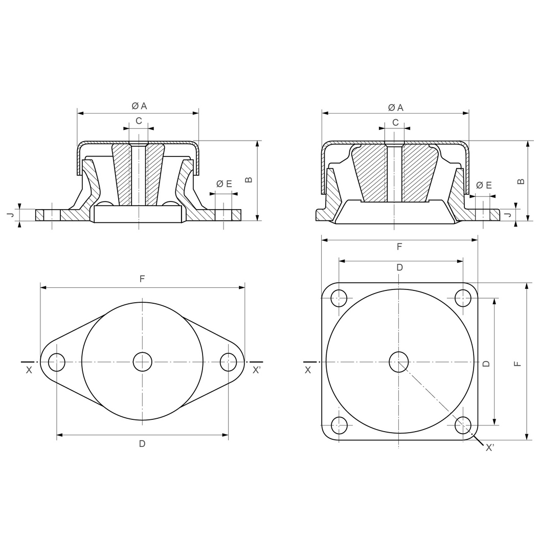
STABIFLEX Supporti antivibranti

I supporti antivibranti Stabiflex sono costituiti da un anello in gomma vulcanizzato a 2 armature metalliche di forma tronco-conica: armatura interna con foro maschiato e quella esterna con base quadrata (4 fori) o base losanga (2 fori).
L’antivibrante Stabiflex ha una elasticità assiale da due a tre volte superiore a quella radiale, mentre la gomma lavora contemporanemanete a taglio e a compressione.
La disponibilità di tre durezze della gomma per i 5 modelli esistenti permette la scelta ottimale del supporto in funzione del carico e della frequenza da isolare. Si consiglia di montare il supporto antivibrante in modo tale che il loro asse sia parallelo alla direzione della vibrazione principale.

Caratteristiche

APPLICAZIONE: Gruppi elettrogeni, cabine elettriche, ascensori, macchine utensili

Dati tecnici

wdt_ID MODELLO CODICE ARTICOLO CARICO STATICO DUREZZA (Sh A) FRECCIA MAX (mm) Ø A (mm) B (mm) C (mm) D (mm) E (mm) F (mm) J (mm) PESO (gr)
1 BASE LOSANGA 53060345PV 10 - 42 45 3,5 69 41 M12 98 9 114 6 250
2 BASE LOSANGA 53060360PV 15 - 60 60 3 69 41 M12 98 9 114 6 250
3 BASE LOSANGA 53061345PV 20 - 93 45 3,5 84 51 M12 115 11 137 7 450
4 BASE LOSANGA 53060375PV 30 - 125 75 4 69 41 M12 98 9 114 6 250
5 BASE LOSANGA 53061360PV 40 - 165 60 3,5 84 51 M12 115 11 137 7 450
6 BASE LOSANGA 53061375PV 65 - 260 75 3 84 51 M12 115 11 137 7 450
7 BASE QUADRA 53062245PV 50 - 210 45 5 100 52 M12 90 11 114 7 1.000
8 BASE QUADRA 53062260PV 65 - 275 60 4,5 100 52 M12 90 11 114 7 1.000
9 BASE QUADRA 53062275PV 95 - 380 75 3,5 100 52 M12 90 11 114 7 1.000
10 BASE QUADRA 53064245PV 110 - 450 45 8 100 52 M12 90 11 114 7 1.000
11 BASE QUADRA 53064260PV 175 - 700 60 8 133 69 M16 114 13 144 9 2.300
12 BASE QUADRA 53065245PV 250 - 1000 45 8 133 69 M16 114 13 144 9 2.700
13 BASE QUADRA 53065260PV 325 - 1300 60 8 133 69 M16 114 13 144 9 2.700
14 BASE QUADRA 53065270PV 450 - 1800 70 8 133 69 M16 114 13 144 9 2.700
Corporate

Sistema Qualità di
Dalmar certificato
ISO 9001:2015

I cambiamenti intervenuti con la nuova norma ISO 9001:2015 sono il frutto di anni di esperienza in tutto il mondo ed innovano fortemente il concetto della “Qualità” di Sistema.

Approfondimento

Sistema di analisi delle vibrazioni

In collaborazione con Hutchinson Paulstra. Misurazione in situ, con l’obiettivo
di fornire una diagnosi “vibro-acustica” della tua installazione e di aiutarti nell’implementazione di soluzioni nel tuo ambiente.

Servizio KANBAN
elettronico

KanbanBOX è il servizio che Dalmar offre, da alcuni anni, ai propri clienti per supportarli
nella gestione del processo di approvvigionamento senza mai rotture di stock