Antivibranti

Antivibranti

Cuscini antivibranti metallici

AISI 304L – cilindrici con spalla

Il cuscino metallico è costituito da un filo in acciao AISI304L intrecciato ed è pressato per ottenere una forma geometrica.
La gamma di antivibranti, cuscinetti metallici, è costituita da più di 1.000 codici di dimensioni, geometrie e caratteristiche variabili.

Grazie alla sua facilità di montaggio, è possibile realizzare dei prodotti con forme e caratteristiche secondo la richiesta del cliente.
I cuscini metallici sono supporti antivibanti ideali per applicazioni su macchinari con velocità di rotazione superiore a 2.000 giri/min.
La forte resistenza naturale ai grassi, olii, acqua, ecc e la tenuta in temperatura, da -70°C a +300°C, permettono di utilizzare i cuscini in numerose applicazioni industriali.

L’aumento della rigidezza statica in funzione dello schiacciamento del cuscino gli assicura un effetto di fine-corsa progressivo e permette di mantenere una frequenza propria costante per una gamma di carico molto estesa, in un ingombro ridotto.

Caratteristiche

APPLICAZIONE: Applicazioni industriali, macchinari con una vlocità di rotazione > 2.000 giri/min.

Dati tecnici

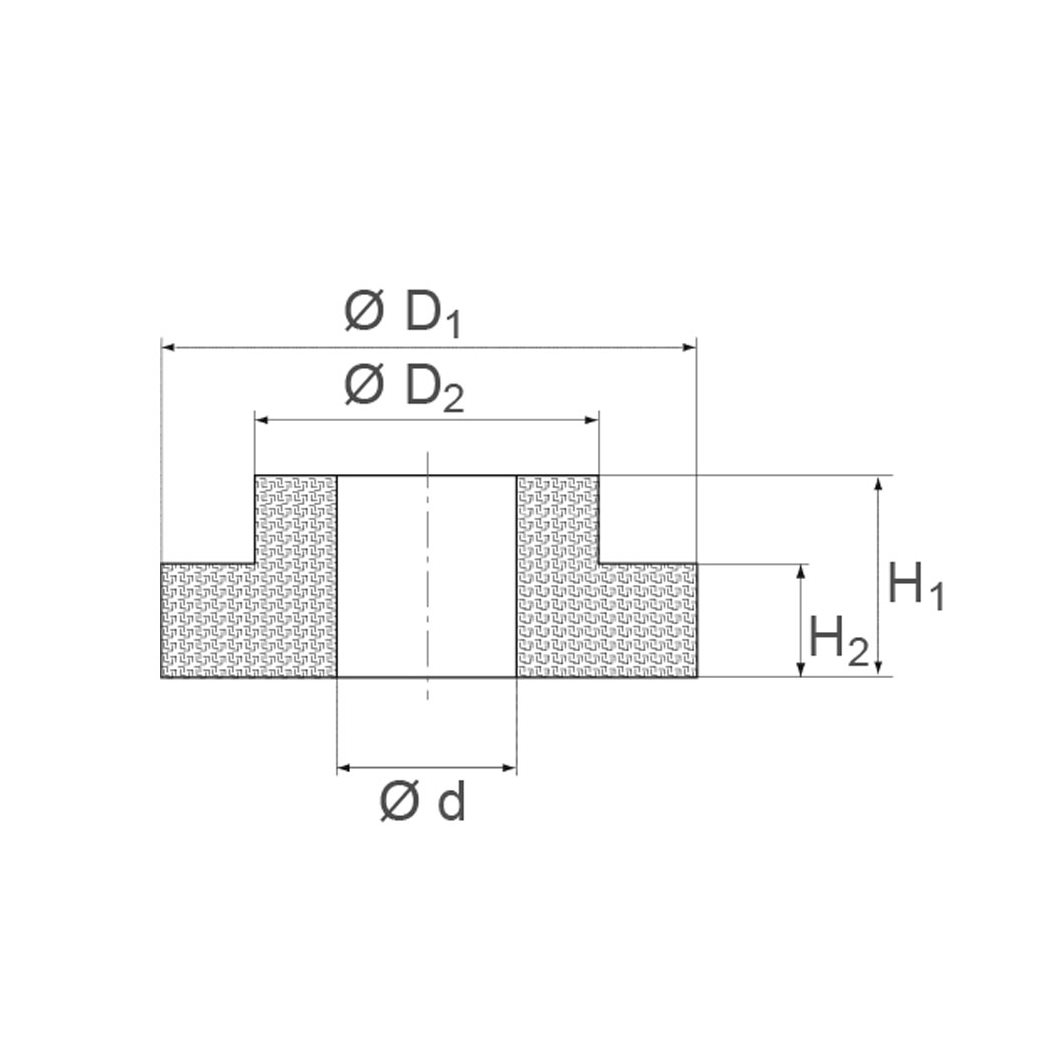
wdt_ID CODICE ARTICOLO CARICO DINAMICO MAX (daN) CARICO STATICO (daN) FREQUENZA PROPRIA (Hz) Ø D1 (mm) Ø D2 (mm) Ø Int. D (mm) H1 (mm) H2 (mm)
1 VJ148-A05PV 1.050 50 - 350 15 - 20 72 48 33 25 21
2 V3CNCH682-A05PV 900 50 - 300 15 - 20 69,5 52 34 30 23,5
3 V3CNVJ044-A05PV 600 25 - 200 15 - 22 52,6 26,5 16 21,5 14
4 V3CNVJ102-A05PV 300 20 - 100 15 - 20 49 27,5 18 30 24,5
5 VJ164-A05PV 300 15 - 100 20 - 25 34,5 20,5 12,5 14 10
Corporate

Sistema Qualità di
Dalmar certificato
ISO 9001:2015

I cambiamenti intervenuti con la nuova norma ISO 9001:2015 sono il frutto di anni di esperienza in tutto il mondo ed innovano fortemente il concetto della “Qualità” di Sistema.

Approfondimento

Sistema di analisi delle vibrazioni

In collaborazione con Hutchinson Paulstra. Misurazione in situ, con l’obiettivo
di fornire una diagnosi “vibro-acustica” della tua installazione e di aiutarti nell’implementazione di soluzioni nel tuo ambiente.

Servizio KANBAN
elettronico

KanbanBOX è il servizio che Dalmar offre, da alcuni anni, ai propri clienti per supportarli
nella gestione del processo di approvvigionamento senza mai rotture di stock