Antivibranti

Antivibranti

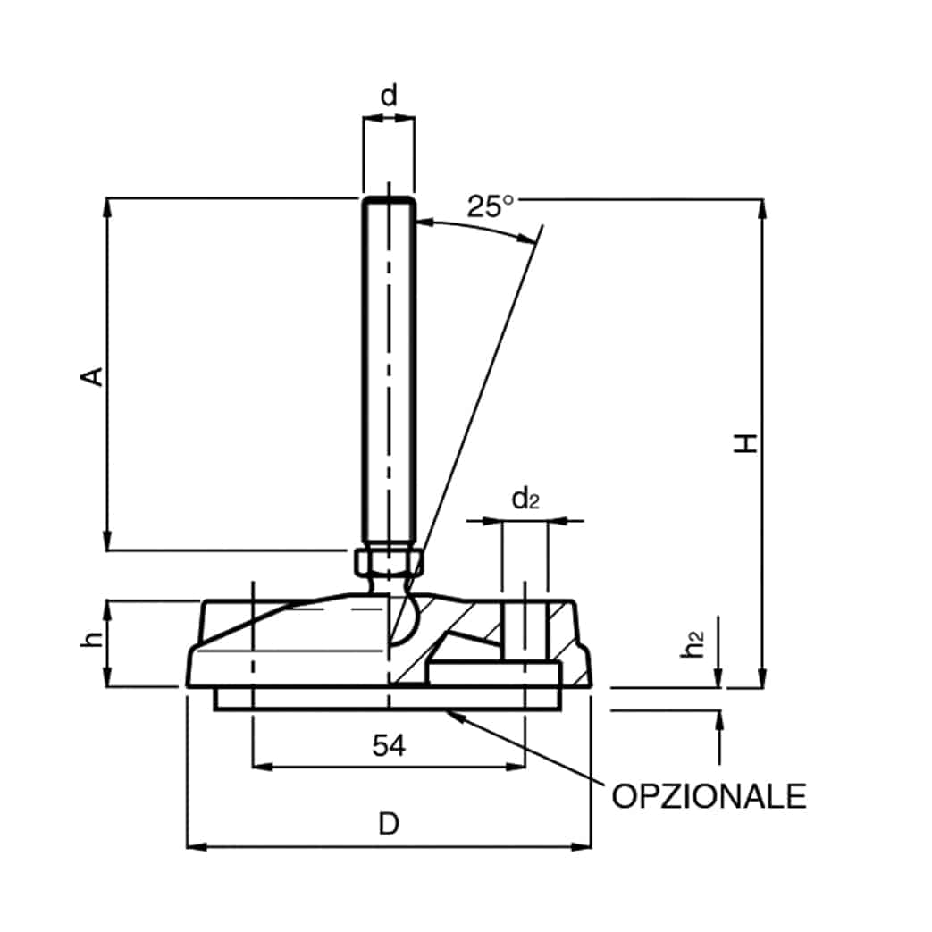
Base ø 80 con fori passanti – Stelo orientabile zincato

Realizzazione in poliammide rinforzata di colore nero e struttura robusta, rendono questi prodotti ideali in applicazioni sotto carico. Lo stelo fisso o orientabile, a seconda degli utilizzi, permette di posizionare correttamente la macchina anche in presenza di pavimentazioni irregolari.

Caratteristiche

MATERIALE BASE: poliammide

MATERIALE STELO: acciaio zincato

TIPO STELO: orientabile max 25°

CARICO MASSIMO: 1000 Kg

A RICHIESTA: base antisdrucciolo NBR

NOTE: 2 fori passanti per l’ancoraggio al terreno

Dati tecnici

wdt_ID CODICE ARTICOLO D H h d A h2 d2 Kg
1 P1190200TD 80 73 19 M8 45 2 9 1.000
2 P1190201TD 80 98 19 M8 70 2 9 1.000
3 P1190202TD 80 73 19 M10 45 2 9 1.000
4 P1190203TD 80 98 19 M10 70 2 9 1.000
5 P1190204TD 80 73 19 M12 45 2 9 1.000
6 P1190205TD 80 98 19 M12 70 2 9 1.000
7 P1190206TD 80 98 19 M14 70 2 9 1.000
8 P1190207TD 80 148 19 M14 120 2 9 1.000
9 P1190208TD 80 98 19 M16 70 2 9 1.000
10 P1190209TD 80 148 19 M16 120 2 9 1.000
11 P1190210TD 80 128 19 M20 100 2 9 1.000
Corporate

Sistema Qualità di
Dalmar certificato
ISO 9001:2015

I cambiamenti intervenuti con la nuova norma ISO 9001:2015 sono il frutto di anni di esperienza in tutto il mondo ed innovano fortemente il concetto della “Qualità” di Sistema.

Approfondimento

Sistema di analisi delle vibrazioni

In collaborazione con Hutchinson Paulstra. Misurazione in situ, con l’obiettivo
di fornire una diagnosi “vibro-acustica” della tua installazione e di aiutarti nell’implementazione di soluzioni nel tuo ambiente.

Servizio KANBAN
elettronico

KanbanBOX è il servizio che Dalmar offre, da alcuni anni, ai propri clienti per supportarli
nella gestione del processo di approvvigionamento senza mai rotture di stock